錘式破碎機簡圖介紹?
發布日期:2016-03-28 責任編輯:河南新鄉中譽鼎力
問:
錘式破碎機簡圖介紹?
答:
在錘式破碎機的外形圖上,主要是蝸牛式的外形,從上而下是進料口,可以容納物料進入,也包括上機殼、下機體等的零部件,組成完整的錘式破碎機外形。詳細解答
咨詢電話:183-3606-5555繼續提問
詳細解答
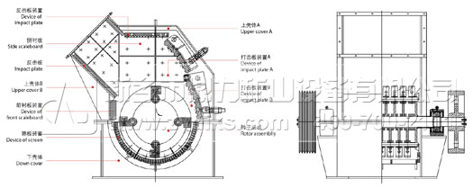
錘式破碎機的圖片包括眾多方面,不僅包括外形圖、還包括內部結構圖等許多方面,下面就錘式破碎機的簡圖進行簡單介紹下。
在錘式破碎機的外形圖上,主要是蝸牛式的外形,從上而下是進料口,可以容納物料進入,也包括上機殼、下機體等的零部件,組成完整的錘式破碎機外形,從外部上來看,錘式破碎機的體積是大的,占據的占地面積是比較大的,是生產能力比較大的錘式破碎機,其占地面積是更大的。
在錘式破碎機內部結構圖上,包含的零部件就比較多了,其中轉子是其重要的工作零部件,轉子由主軸、錘盤、銷軸、錘頭等組成,主軸是錘式破碎機上支撐轉子為重要的零部件,轉子、錘頭的重量、沖擊力都由主軸承擔,錘式破碎機錘盤是用來懸掛錘頭的,錘頭是錘式破碎機內部中為重要的零部件,錘頭的質量決定著破碎機對應的生產能力,越重的錘頭生產能力是越大的,對于其承重的零部件要求是更高的,須要求能夠承受更大的重量,才能設備正常運轉。

對于各個零配件安裝的位置,是由的技術人員設計的,按照的設計原則來設計的,可以各個零部件正常運轉的情況下,同時可以加快生產的效率,對于轉速比較高的錘式破碎機來說,須經常查看其內部結構的變化,才能正常生產。
上一篇:反擊破碎機和錘式破碎機的區別下一篇:無
















